MAKER MIDI: Primera parte
Construye tu propio controlador MIDI
¡Estas a punto de construir tu MAKER MIDI!
Descripción General
¿Te has sentido limitado por no tener un controlador MIDI a la hora de intentar producir música en tu computadora? El Maker MIDI quizá es lo que estas buscando.
Un controlador MIDI te permite controlar tu computadora y utilizarlo con diferentes estaciones de trabajo de audio digital (EAD). Un EAD nos permite grabar y editar audio a través de instrumentos virtuales o instrumentos reales conectados a tu computadora.
El controlador MIDI te permitirá recibir y mandar mensajes a tu computadora y que en conjunto con el EAD podrás crear lo que a tu mente se le ocurra. Todos los controles del Maker MIDI pueden ser asignados a casi cualquier cosa, desde asignarlo al volumen de un instrumento hasta un controlar un filtro.
El Maker MIDI lo puede hacer cualquiera. Para poder crearlo necesitarás lo siguiente.
Componentes
1 x Arduino Mega
6 x Potenciometros lineares de 10k
12 x Botones Arcade
6 x Perillas
1 x Cable USB tipo A a B
1 x Resistor de 4.7 kΩ
4 x Tornillos allen M5 x 25mm
2 x Tornillos allen M2.5 x 10mm y rondanas
Cables
Herramientas
Cautin
Filamento para soldar (estaño)
Pasta para soldar
Pinzas de punta delgada
Pinzas pela cable
Desarmador de cruz
Llave allen M5
Llave allen M2.5
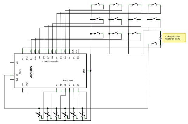
Diagrama
Guía de conexiones
Software I
¡Hora de programar tu Arduino!
Pieza inferior de la carcasa
En esta pieza se montará el Arduino.
Cableado
¡También vamos a soldar!
Guía de conexiones
Recuerda utilizar esta guía para poder llevar a cabo el cableado de manera correcta.
Cableado
Vista general de cableado en los botones y potenciometros. Cada cable se cortó a una longitud de 25 cm para que pudiéramos conectar nuestro controlador de manera sencilla.
Conexión a Arduino
Antes de conectar cada cable a los pines de nuestro Arduino agrupamos los cables con cinchos pequeños para poder tener un mejor control.
Ensamble
Uniendo todas nuestras piezas

Montando el Arduino
Montaremos nuestro controlador en la parte inferior de nuestra carcasa. Para montarlo se utilizaron los tornillos M2.5.

Montando la tapa
Se ensambló la tapa de la carcasa. Para ensamblarla se utilizaron los 4 tornillos M5.
Perillas
Se montaron las perillas en cada uno de los potenciometros. Antes de ponerlos nos aseguramos de poner cada potenciometro hasta al tope. Después se montó cada perilla y que ésta coincidiera con el tope de cada potenciometro.
Listo
Para finalizar con el ensamblado se aseguraron al tope los tornillos y se probo cada unos los botones, potenciometros y se conectó el cable USB.
Fin de la primera parte
¡Tu MAKER MIDI está casi listo!
En esta primera parte del armado de nuestro MAKER MIDI solo llegaremos hasta el ensamblado. En la segunda parte comenzaremos con el proceso de convertir nuestro controlador a un MIDI virtual. Para convertirlo a MIDI virtual necesitaremos una serie de programas que nos permitirán enviar señales MIDI a nuestra computadora y finalmente producir música con nuestro software de preferencia. Si aun no tienes un software para producir música te daremos una lista de programa gratuitos y que por supuesto son Open Source.
¡Estén atentos a la segunda parte de la construcción del MAKER MIDI ¡No olvides visitar los otros posts y darle una recorrido completo a nuestra página!